Produkter
Globeventil i rustfritt stål
  • Globeventil i rustfritt stålGlobeventil i rustfritt stål

Globeventil i rustfritt stål

Slitesterk J41H, J41Y, J41W kuleventil i rustfritt stål produsert av JQF Valve. Åpnings- og lukkedelen er en sylindrisk ventilklaff, tetningsflaten er flat eller konisk, og ventilklaffen beveger seg lineært langs væskens senterlinje. Den rustfrie avskjæringsventilen er kun egnet for full åpning og full lukking. Den brukes vanligvis ikke til å justere strømningshastigheten. Den kan justeres og strupes når den er tilpasset.
Foshan Jinqiu Valve Co., LTD. er en produsent av høykvalitets kuleventiler i rustfritt stål som integrerer design, utvikling, produksjon, salg og service. Våre hovedprodukter inkluderer forskjellige kontrollventiler, elektriske ventiler, pneumatiske ventiler, magnetventiler, manuelle ventiler, aktuatorer og ventiltilbehør.
Vår kuleventil i rustfritt stål er en sluseventil med en støpt kropp i rustfritt stål, flensforbindelser i begge ender og en sluseventilstruktur. Dens kjernefunksjon er å nøyaktig regulere strømmen eller pålitelig stenge av mediet i rørledninger.
På grunn av sin utmerkede korrosjonsbestandighet og pålitelige tetningsytelse, har den blitt en av de foretrukne ventilene for korrosive medier eller høyrenseapplikasjoner i kjemisk, petrokjemisk, mat- og farmasøytisk industri.
Customers trust JQF valves' high quality, reliable performance, and good and comprehensive customer service. We will continue to innovate to provide first-class valve solutions.

1. Enkel struktur: Utformingen av kuleventilen i rustfritt stål er enkel, noe som gjør produksjon og vedlikehold praktisk og effektiv.
2. Rask respons: Kort arbeidsslag gir ekstremt rask åpning og lukking av ventilen.
3. Slitesterk forsegling: Utmerket tetningseffekt, minimal friksjonsmotstand og lang levetid.

Executive Standard

Designspesifikasjoner: GB / T 12235
Strukturlengde: GB / T 12221
Flenstilkobling: JB / T 79
Test og inspeksjon: JB / T 9002
Produktidentifikasjon: GB / T 12220
Leveringsspesifikasjoner: JB / T 7928

Ytelsesparametere

modell J41H-16C~160C J41Y-16C~160C J41W-16P~160P
Arbeidspress (MPa) 1,6–16,0
riktig temperatur (℃) ≤425 ≤150
Egnet media Vann, damp, olje Svak etsende medium
materiale Karosseri, panser Karbonstål Krom nikkel-titan rustfritt stål
Ventilstamme Krom rustfritt stål Krom nikkel-titan rustfritt stål
Tetningsoverflate Overflatejernbaserte legeringer Hardbehandlet legering Kroppsmateriale
fyllstoff Asbestgrafitt, fleksibel grafitt, PTFE

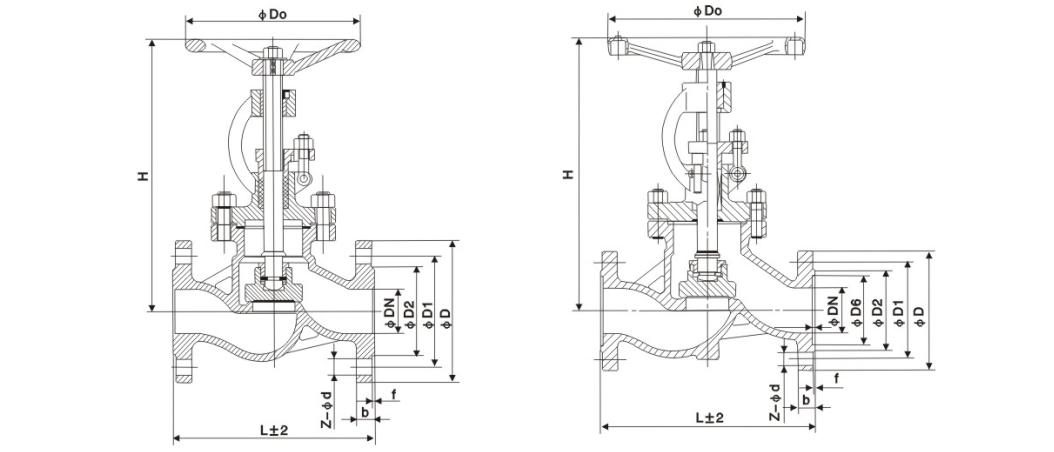
Hovedformen og tilkoblingsstørrelsen

Nominell diameter Hoveddimensjonene og tilkoblingsdimensjonene
L D D1 D2 b Z-d H D0
J41H-16C
15 130 95 65 45 14-2 4-Φ14 170 120
20 150 105 75 55 14-2 4-Φ14 190 140
25 160 115 85 65 14-2 4-Φ14 205 160
32 180 135 100 78 16-2 4-Φ18 270 180
40 200 145 110 85 16-3 4-Φ18 310 200
50 230 160 125 100 16-3 4-Φ18 358 240
65 290 180 145 120 18-3 4-Φ18 373 240
80 310 195 160 135 20-3 8-Φ18 435 280
100 350 215 180 155 20-3 8-Φ18 500 300
125 400 245 210 185 22-3 8-Φ18 614 320
150 480 280 240 210 24-3 8-Φ23 674 360
200 600 335 295 265 26-3 12-Φ23 811 400
250 650 405 355 320 30-3 12-Φ25 969 450
300 750 460 410 375 30-3 12-Φ25 1145 580
350 850 520 470 435 34-4 16-Φ25 1280 640
400 980 580 525 485 36-4 16-Φ30 1452 640
J41H-25C
15 130 95 65 45 16-2 4-Φ14 170 120
20 150 105 75 55 16-2 4-Φ14 190 140
25 160 115 85 65 16-2 4-Φ14 205 160
32 180 135 100 78 18-2 4-Φ18 270 180
40 200 145 110 85 18-3 4-Φ18 310 200
50 230 160 125 100 20-3 4-Φ18 358 240
65 290 180 145 120 22-3 8-Φ18 373 240
80 310 195 160 135 22-3 8-Φ18 435 280
100 350 230 190 160 24-3 8-Φ23 500 300
125 400 270 220 188 28-3 8-Φ25 614 320
150 480 300 250 218 30-3 8-Φ25 674 360
200 600 360 310 278 34-3 12-Φ25 811 400
250 650 425 370 332 36-3 12-Φ30 969 450
300 750 485 430 390 40-4 16-Φ30 1145 580
350 850 550 490 448 44-4 16-Φ34 1280 640
400 980 610 550 505 48-4 16-Φ34 1452 640

Strukturbilde

Hot Tags: Globeventil i rustfritt stål, Kina, tilpasset, kvalitet, holdbar, avansert, produsent, leverandør, fabrikk, på lager
Send forespørsel
Kontaktinfo
  • Adresse

    No.1, North 1st Road, Stainless Steel New Town, Lecong Steel World West Road, Shunde District, Foshan City, Guangdong-provinsen, Kina

For henvendelser om portventiler, kuleventiler og tilbakeslagsventiler eller prisliste, vennligst legg igjen din e-post til oss, så tar vi kontakt innen 24 timer.

X
Vi bruker informasjonskapsler for å gi deg en bedre nettleseropplevelse, analysere nettstedstrafikk og tilpasse innhold. Ved å bruke denne siden godtar du vår bruk av informasjonskapsler. Personvernerklæring
Avvis Akseptere